您当前所在的位置:首页>常见问题>
热点新闻更多>>
常见问题

KRHD钢制卡箍柔性接头安装方法

添加时间:2014/4/27 10:17:14文章来源:恒众供水网络部 作者:恒众供水小编
                                     
   
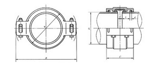
    KRHD钢制卡箍柔性管接头是一种管道连接,性能可靠,安装简便的产品。在低压时,靠密封圈的弹性变形,达到密封目的;在压力增加时,通过介质作用在密封圈上,起到自密封的作用,并在管端间留有间隙来补偿管道因热胀冷缩而产生的位移和挠曲。
    KRHD钢制卡箍柔性管接头安装前须松开压盘螺栓,将该产品拉至安装长度,然后用对角法拧紧,切勿压偏,如架空使用,两端须安装相应的固定支架,安装完毕,通水试压。
    KRHD钢制卡箍柔性接头意外泄漏处理:依次松开螺栓,然后再压紧,其过程中可用锤对外可进行位置矫正;如果方法无效,拆卸外卡,检查密封圈是否安装过程中破裂,可更换密封圈进行解决。 

 

巩义市恒众供水材料有限公司

地 址:河南省巩义市永安路南段

电 话:0371-64032688

传 真:0371-64032611

手 机:13938406796 15838275686

网 址:http://www.gyhzgs.com

邮 箱:hengzhonggongshui@163.com

 

关于我们

                               

版权所有:巩义市恒众供水材料有限公司     备案号:豫ICP备15036110号-2   豫公网安备41018102000967号

分享按钮